不銹鋼法蘭球閥只需要用旋轉90度的操作和很小的轉動力矩就能關閉嚴密。完全平等的閥體內腔為介質提供了阻力很小、直通的流道。通常認為球閥很適宜直接做開閉使用,但近來的發展已將球閥設計成使它具有節流和控制流量之用。球閥的主要特點是本身結構緊湊,易于操作和維修,適用于水、溶劑、酸和天然氣等一般工作介質,而且還適用于工作條件惡劣的介質,如氧氣過氧化氫,甲烷和乙烯等。球閥閥體可以是整體的,也可以是組合式的。 本類閥應安裝在管道的水平方向。
在線咨詢
購買熱線: 021-622-00727
不銹鋼法蘭球閥的工作原理是靠旋轉閥桿來使閥門暢通或閉塞。球閥開關輕便,體積小,可以做成很大口徑,密封性可靠,結構簡單,維修方便,密封面與球面常在閉合狀態,不易被介質沖蝕,在各行業得到廣泛的應用。
1. 流體阻力小,其阻力系數與同長度的管段相等。
2. 結構簡單、體積小、重量輕。
3. 緊密可靠,目前球閥的密封面材料廣泛使用塑料、密封性好,在真空系統中也已廣泛使用。
4. 操作方便,開閉迅速,從全開到全關只要旋轉90°,便于遠距離的控制。
5. 維修方便,球閥結構簡單,密封圈一般都是活動的,拆卸更換都比較方便。
6. 在全開或全閉時,球體和閥座的密封面與介質隔離,介質通過時,不會引起閥門密封面的侵蝕。
7. 適用范圍廣,通徑從小到幾毫米,大到幾米,從高真空至高壓力都可應用。
球閥已廣泛應用于石油、化工、發電、造紙、原子能、航空、火箭等各部門,以及人們日常生活中。
記者從省有關部門獲悉,交通運輸部正式出具引江濟淮工程工可行業審查意見,為項目工可報告及時獲批奠定基礎。記者了解到,備受關注的引江濟淮工程進入開工建設前很后沖刺階段,開工時間或定在汛期后(我省汛期為每年5月到9月),而淮水北調工程今年也將投入運行。
據悉,根據可行性研究報告,引江濟淮線路過巢湖共有4種方案,通過分析,環評建議采取濟淮的江水不入巢湖的方案從兆河閘引水,在派河泵站引水口布設在兆河閘上并在巢湖南岸新開挖明渠,途中接引菜子湖線江水后輸水至派河泵站。這條方案中,濟淮江水不經過巢湖,直接從巢湖南岸繞過,對巢湖水質影響較小。
此次上海駱盈作為主要的不銹鋼法蘭球閥供應商,將竭盡全力向這一工程提供優質高效的閥門產品,這是因為不銹鋼法蘭球閥開關輕便,體積小,可以做成很大口徑,密封性可靠,結構簡單,維修方便,密封面與球面常在閉合狀態,不易被介質沖蝕,能夠有效的保障整個管道項目的順利運行。
同時,我省將加快長江干支流治理。今年將完成青弋江分洪道項目,推進滁河治理、水陽江下游當涂段防洪治理、長江崩岸應急治理工程,力爭開工建設秋浦河、皖河、巢湖環湖防洪治理和長江干流銅陵河段整治工程。

請點擊圖片看大圖
請點擊圖片看大圖
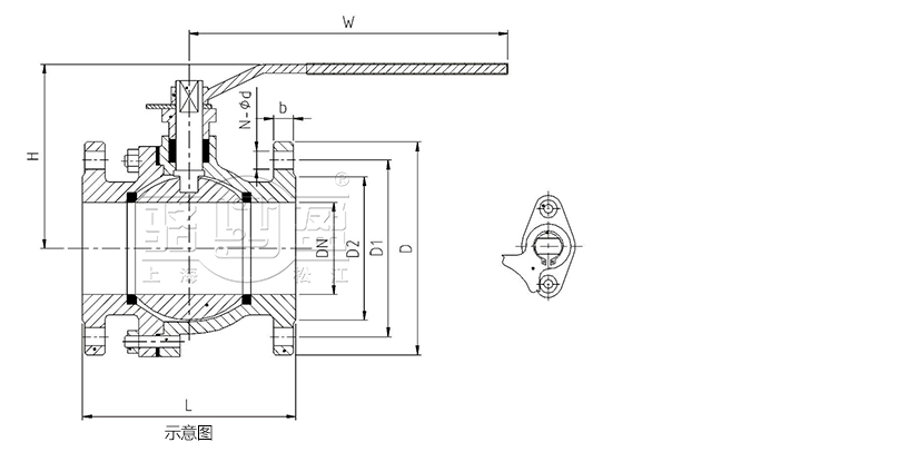
| 型號Type | 公稱通徑DN(mm) | 尺寸Dimension(mm) | |||||||
| L | D | D1 | D2 | b-f | Z-φd | H | W | ||
| Q41-16 | 15 | 130 | 95 | 65 | 45 | 14-2 | 4-φ14 | 65 | 115 |
| 20 | 140 | 105 | 75 | 55 | 14-2 | 4-φ14 | 75 | 130 | |
| 25 | 150 | 115 | 85 | 65 | 14-2 | 4-φ14 | 85 | 150 | |
| 32 | 165 | 135 | 100 | 78 | 16-2 | 4-φ18 | 95 | 190 | |
| 40 | 180 | 145 | 110 | 85 | 18-3 | 4-φ18 | 105 | 230 | |
| 50 | 200 | 160 | 125 | 100 | 20-3 | 4-φ18 | 115 | 240 | |
| 65 | 220 | 180 | 145 | 120 | 22-3 | 8-φ18 | 145 | 280 | |
| 80 | 250 | 195 | 160 | 135 | 22-3 | 8-φ18 | 160 | 310 | |
| 100 | 280 | 245 | 190 | 160 | 24-3 | 8-φ23 | 185 | 330 | |
| 125 | 320 | 280 | 220 | 188 | 28-3 | 8-φ25 | 215 | 600 | |
| 150 | 360 | 335 | 250 | 218 | 30-3 | 8-φ25 | 245 | 800 | |
| 200 | 400 | 405 | 310 | 278 | 34-3 | 12-φ25 | 300 | 1000 | |
| 型號Type | 公稱通徑DN(mm) | 尺寸Dimension(mm) | |||||||
| L | D | D1 | D2 | b-f | Z-φd | H | W | ||
| Q41-yf40 | 15 | 140 | 95 | 60 | 45 | 14-2 | 4-φ14 | 60 | 145 |
| 20 | 152 | 105 | 65 | 55 | 14-2 | 4-φ14 | 65 | 160 | |
| 25 | 165 | 115 | 75 | 65 | 14-2 | 4-φ14 | 75 | 180 | |
| 32 | 180 | 135 | 85 | 78 | 16-2 | 4-φ18 | 85 | 220 | |
| 40 | 190 | 145 | 95 | 85 | 16-3 | 4-φ18 | 95 | 230 | |
| 50 | 216 | 165 | 108 | 100 | 18-3 | 4-φ18 | 108 | 250 | |
| 65 | 241 | 180 | 140 | 120 | 20-3 | 8-φ18 | 140 | 290 | |
| 80 | 283 | 195 | 148 | 135 | 20-3 | 8-φ18 | 148 | 350 | |
| 100 | 305 | 230 | 180 | 155 | 20-3 | 8-φ18 | 180 | 460 | |
| 125 | 381 | 270 | 250 | 188 | 36-3 | 8-φ25 | 250 | 610 | |
| 150 | 403 | 300 | 275 | 218 | 38-3 | 8-φ25 | 275 | 800 | |
| 200 | 502 | 375 | 405 | 282 | 44-3 | 12-φ30 | 405 | 1000 | |
專業制造、專業服務,駱盈為你創造更多價值 !
不斷提升服務質量,精益求精,“真誠的服務”是駱盈永恒的主題。駱盈嚴格按照 要求,質量嚴格把關,責任到人,確保生產、銷售、服務的健康運行。加強與用戶溝通,竭誠為廣大客戶提供優質產品,至善至美服務,特此駱盈做出如下承諾:
產品標準
產品嚴格按照中國 GB、HG 標準和美國 API 等標準設計、制造、驗收。密封面硬度達到規定要求,寬度超過標準。
售前服務
產品介紹,技術交流,非標產品設計,疑難解答。
售中服務
1、守信合同,保證及時供貨,隨時保持與客戶聯系
2、對特殊或復雜的產品,我廠安排技術人員對用戶進行產品使用、故障排除、調式及維修進行培訓和指導。
售后服務
1、駱盈產品質保期為自出廠起 12 個月,實行“三包”服務(包退、包換、包修)。
2、產品在使用中我廠定期組織技術、檢查人員進行訪問,征詢用戶對產品質量、使用狀況、改進意見等方面的反饋,以便進一步提高產品質量。
3、對用戶投訴產品質量問題,快速做出反映,售后服務人員在 24-36 小時(省外 48 小時)趕赴現場。
4、對售后服務,要求用戶填寫服務后的質量反饋表,并做出鑒定意見,共同提高駱盈的產品質量與服務質量。
1、客戶采購清單請傳真至 021-64207088 E-mail:luoying@luoyingsh.com,或來電咨詢 021-62212627。
2、收到客戶采購清單,為客戶提供產品型號選型與報價(價格清單)。
3、具體商定:交貨期、特殊要求等事宜。
訂貨須知
1、客戶對產品有特殊要求,須在訂貨合同中提供以下說明:
(1)結構長度
(2)連接形式
(3)公稱直徑、全通徑、縮徑、管道尺寸
(4)用介質及溫度、壓力范圍
(5)實驗、檢驗標準及其他要求本廠可根據客戶特殊要求配置定做和設計特殊產品。
2、本廠可根據客戶特殊要求配置定做和設計特殊產品。
3、如由客戶提供確定的產品類型和型號時,客戶應正確說明其型號的含義和要求,在供需雙方理解一致的條件下簽訂合同。
您也可以聯系在線客服